产品快速通道

当前栏目名
您当前的位置:boyu·博鱼最新买球网 > 产品中心 > 减速机展厅JRTM..-U-LR

- 产品参数:
- 产品型号: null
- 额定功率:null
- 电压:null
- 转速/极数:null
- 减速比:null
- 安装方式:null
详细参数
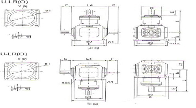
最大的功能就是将电机的输出扭矩进行转向。转向箱|换向器可以正反运转,低速或高速传动平稳,而且噪声低,振动小,承受力大。
最大的功能就是将电机的输出扭矩进行转向。转向箱|换向器可以正反运转,低速或高速传动平稳,而且噪声低,振动小,承受力大。