产品快速通道

当前栏目名
您当前的位置:boyu·博鱼最新买球网 > 产品中心 > 电机(马达)展厅紫光卧式铝壳三相马达

- 产品参数:
- 产品型号: YS
- 额定功率:0.06KW-7.5KW
- 电压:380V.220V
- 转速/极数:2级,4级,6极
- 安装方式:卧式
详细参数
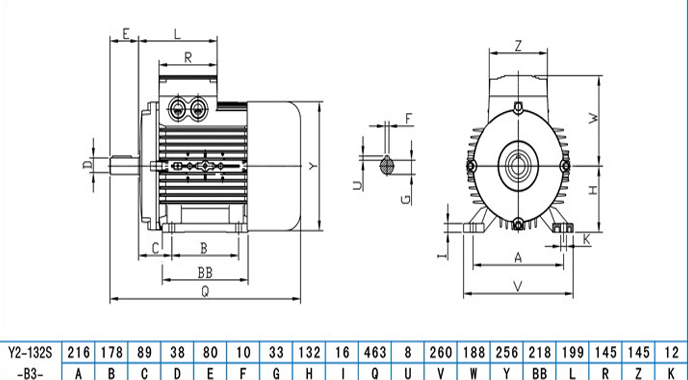
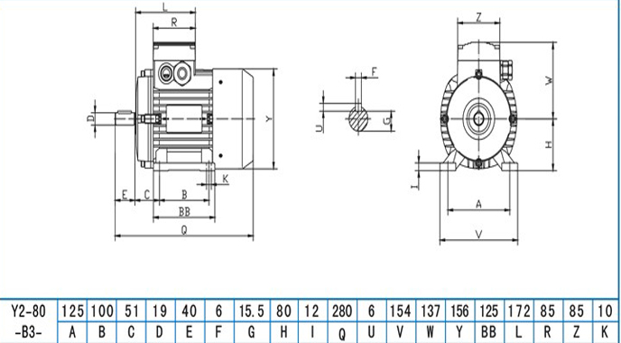
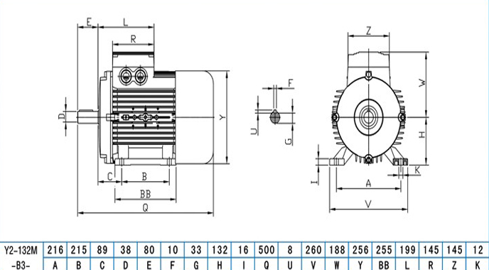
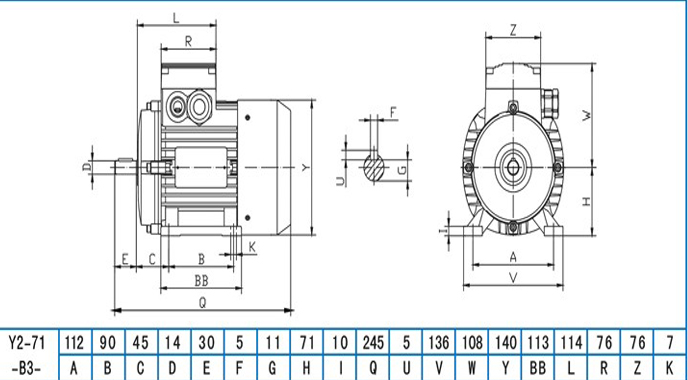
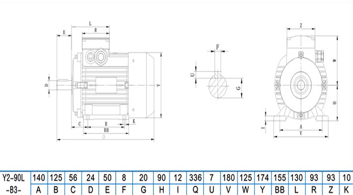
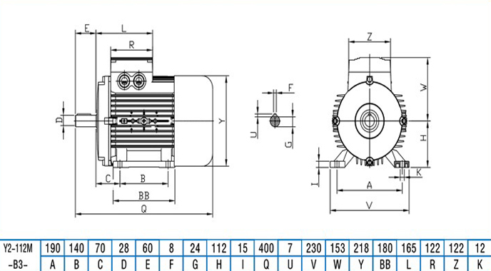
紫光卧式铝壳三相马达功率等级覆盖范围广,有9种机座规格;接线座与机体整体铝合金压铸结构,密封性好,完全符合IP54、IP55的外壳防护等级标准;增强散热筋设计,使机组具备更强的冷却能力;精确的动平衡校正及专用的低噪声轴承,使电机动行更加平稳,密封更可靠安全;符合IEC尺寸标准及IM国际安装结构方式,具备优良的互换性。
材料选用铝合金外壳,调质处理的40C钢轴,电磁线采用聚酯QZ-2;聚酰亚胺QY-2;硅钢片:DR490-510;轴承:C&U;NSK;NTN;SKF
所有通用电机执行统一的制作标准
电机功率等级及尺寸:GB4826-84;GB4772.2-84;IEC72
电气规范:GB755-87;IEC34-1
结构及安装型式:GB997-81;IEC34-7
结构特点:
--从0.025KW-7.5KW的功率等级范围,9种机座规格.
--接线座与机体整体铝合金压铸结构,密封性好,完全符合IP54、IP55外壳防护等级标准.
--增强散热筋设计,使机组具备更强的冷却能力.在恶劣的环境下维持电机良好的运行性能.
--精确的动平衡校正及专用的低噪声轴承,使电机运行更加平衡、静音.
--提供B级、F级绝缘等级制造.
--预设置的出轴密封装置,与变速机、减速机配套连接时,密封性能可靠安全.
--符合IEC尺寸标准及IM国际安全结构方式,具备优良的互换性.
统一标准:
所有通用电机执行统一的制作标准:
--电机功率等级及尺寸:GB4826-84;GB4772.2-84;IEC72
--电气规范:GB755-87;IEC34-1
--结构及安装型式:GB997-81;IEC34-7
--外壳防护等级:GB4942.1-85;IEC34-5
--冷却方式:GB/T1993-93;IEC34-6
外壳防护等级:
电机的外壳防护等级表示电机在以下两个方面的防护能力:
(1)防止人体接触电机内部带电或转动部分和防止固体异物进入电机内部的能力
(2)防止水进入电机内部的能力
